
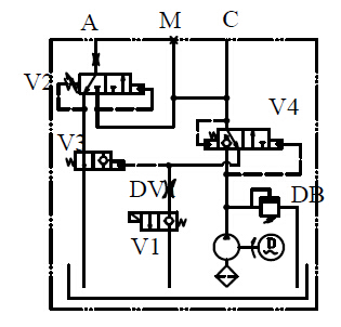
1.液壓系(xì)統壓力: 160bar
3.液壓泵(bèng)排量:3.2cc/r
4.電機(ji)功率:1.5KW ; AC380V
8.安裝方(fang)式:卧式
9.油(yóu)箱材料:鐵(tiě)皮(1-1,5mm),工程塑(su)料

**為(wei)電磁換向(xiàng)閥電壓
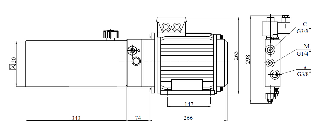
外(wai)形圖片

手(shǒu)機:0533-3142858
電話:18615115678
郵(yóu)箱:@283888.cc
地址:山(shān)東淄博市(shì)張店區沣(fēng)水鎮東高(gao)村工業園(yuan)

1.液壓系(xì)統壓力: 160bar
3.液壓泵(bèng)排量:3.2cc/r
4.電機(ji)功率:1.5KW ; AC380V
8.安裝方(fang)式:卧式
9.油(yóu)箱材料:鐵(tiě)皮(1-1,5mm),工程塑(su)料

**為(wei)電磁換向(xiàng)閥電壓
外(wai)形圖片

•
›