欧美人与动🔞zozoxxx❌HOB拉杆油缸_廠家_價格_報價_圖片-山東南昌尚辰材料制造有限责任公司(AI智能站)

南昌尚辰材料制造有限责任公司(AI智能站)

·批發價格·報(bao)價

液壓油缸專(zhuan)業生産廠家,欧🔞美人与动zozoxxx❌提(ti)供液壓站、液壓(ya)系統解決方案(an)

24小時銷售服務(wu)熱線:

18615115678

當前位(wèi)置:液壓油缸主(zhu)頁 > 液壓油缸 > 拉(la)杆液壓油缸 > HOB拉(lā)杆油缸規格型(xíng)号/圖片/參數/結(jie)構圖

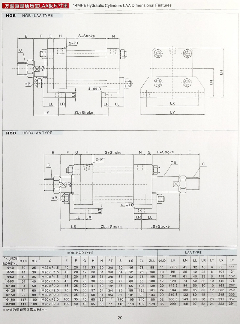
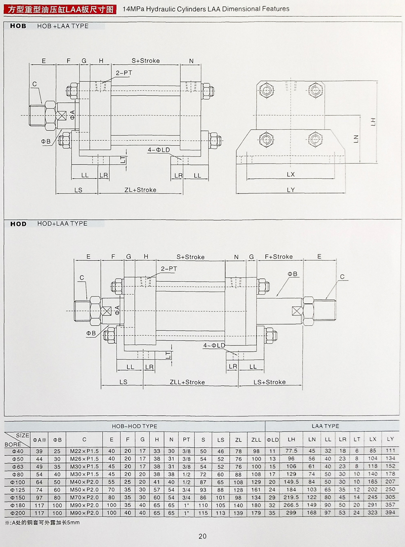
HOB拉杆油缸(gang)

電話訂購

HOB拉杆(gan)油缸參數大全(quan)

  • 型号(hào)說明
  • 系統特性(xìng)
  • 行業應用

  1.采用(yòng)進口雙聯葉片(pian)泵配合回油水(shuǐ)冷卻器一起使(shǐ)🌈用,大大降💯低了(le)系統的發熱量(liang)。

  2.采用進口SSAN換向(xiàng)閥,方便操作使(shǐ)用,提高生産效(xiao)率。

液壓(ya)機床、成型機械(xiè)、自動化機床。