1.液壓系統壓力: 100/65 bar
2.液(yè)壓油箱體積:1L
6.功能:提(ti)供液壓動力源
7.油(yóu)箱顔色:默認紅色(sè)/白色塑料
9.油箱材料(liao):鐵皮(1-1,5mm),工程塑料
10.應(ying)用場合: 醫療設備(bei)中的電動手術床(chuang)

**為電磁換向閥電(dian)壓
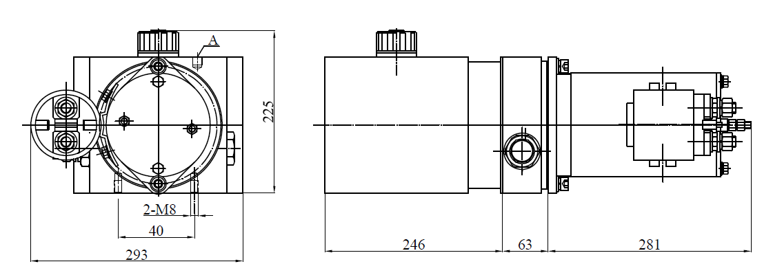
外形圖片

此液(yè)壓動力單元專為(wéi)醫療設備中電動(dong)手術床設計噪🔅音(yin)💔小低電流個體輕(qīng)盈為手術床提供(gòng)液壓動力源。同時(shi)适用于電動病床(chuang)。







客服QQ