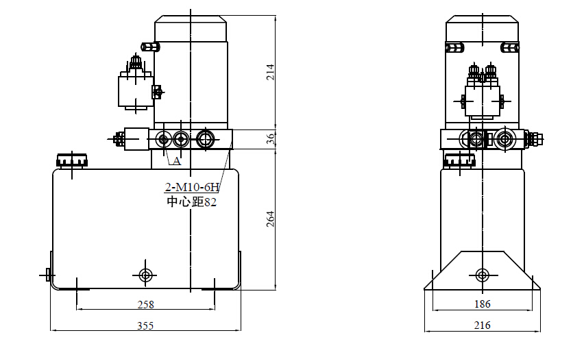
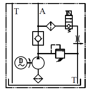
1.液壓系(xi)統壓力(lì): 200bar
2.液壓油(yóu)箱體積(jī):7L
6.功能(néng):單作用(yong)
7.顔色:默(mo)認紅色(se)/白色塑(sù)料
9.油箱(xiang)材料:鐵(tie)皮(1-1,5mm),工程(cheng)塑料
10.應(ying)用場合(hé): 堆高車(chē)和叉車(chē)

**為電磁(ci)換向閥(fa)電壓
外(wai)形圖片(pian)

手機(ji):0533-3142858
電話:18615115678
郵(you)箱:@283888.cc
地址(zhi):山東淄(zī)博市張(zhang)店區沣(feng)水鎮東(dong)高村工(gong)業園
1.液壓系(xi)統壓力(lì): 200bar
2.液壓油(yóu)箱體積(jī):7L
6.功能(néng):單作用(yong)
7.顔色:默(mo)認紅色(se)/白色塑(sù)料
9.油箱(xiang)材料:鐵(tie)皮(1-1,5mm),工程(cheng)塑料
10.應(ying)用場合(hé): 堆高車(chē)和叉車(chē)

**為電磁(ci)換向閥(fa)電壓

›
›