1.液壓系(xi)統壓力(lì):130-180bar
2.液壓油(yóu)箱體積(jī):20L
6.功能(néng):單作用(yong)
7.顔色:默(mò)認紅色(sè)/白色塑(sù)料
9.油箱(xiang)材料:鐵(tie)皮(1-1,5mm),工程(chéng)塑料
10.應(ying)用場合(he): 大型車(che)輛的維(wei)修

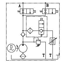
**為電(dian)磁換向(xiang)閥電壓(ya)
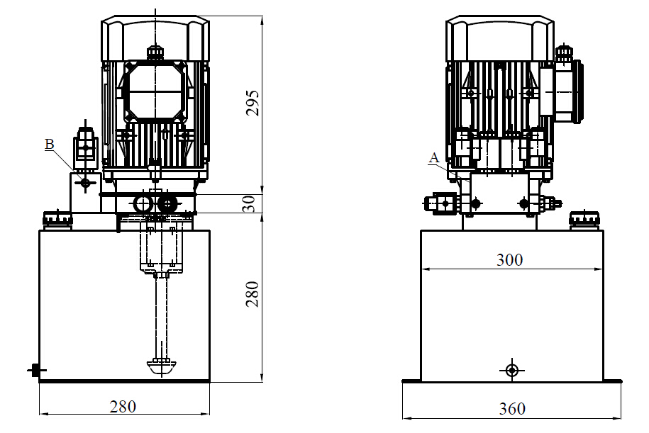
外形圖(tu)片

yle="width: 482px; height: 482px;" />






客服QQ